1.使用中、小規模集成電路來設計組合電路是最常見的邏輯電路設計方法。設計組合電路的一般步驟如圖所示。

2.組合邏輯電路的設計
步驟:①根據對邏輯功能要求,列真值表
②由真值表寫出邏輯表達式
③根據要求化簡和變換邏輯函數表達式
④根據要求畫出邏輯圖
⑤芯片選擇,接成實物
⑥分析并比較設計的優劣
設計目標:電路簡單,所用器件最少,可靠性好等
二、三人表決電路設計要求:設計一個三人表決電路,結果按“少數服從多數”的原則決定。
方法:
(1):只用74LS00,74LS20實現。
(SSI設計)
(2):用74LS138和74LS20實現。
(MSI設計)
(3):用74LS151或LS153實現。
(MSI設計)
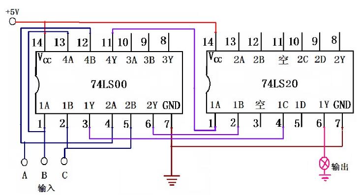
方法一:用SSI設計(用74LS00,74LS20)實現三人表決電路
分析:
①設A、B、C:三人的意見。
同意為邏輯“1”;不同意為邏輯“0”
L:表決結果。
事件通過為邏輯“1”;沒通過為邏輯“0”
列出真值表如右表所示。

②由真值表寫出邏輯表達式:

③用卡諾圖進行化簡。

④畫出邏輯圖。

⑤選擇芯片并連接。

用74LS00和74LS20實物接線如下:

方法二:用譯碼器138和與非門74LS20設計實現三人表決電路

用譯碼器138和與非門74LS20的實物接線圖

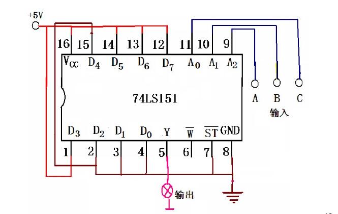
方法三:用8選1數據選擇器74LS151實現三人表決電路

將輸入變量接至數據選擇器的地址輸入端,即A=A2,B=A1,C=A0。輸出變量接至數據選擇器的輸出端,即L=Y。將邏輯函數L的最小項表達式與74151的功能表相比較,

用數據選擇器74LS151實現接線圖

方法四:用4選1數據選擇器74LS153實現三人表決電路

該邏輯函數含有三個邏輯變量,可選其中的兩個(A,B)作為數據選擇器的地址輸入變量,一個(C)作為數據輸入變量。

用數據選擇器74LS153實現接線圖

比較:

結論:MSI設計優于SSI設計的。


返回頂部
刷新頁面
下到頁底