汽車發電機接線柱接線原理圖
各個型號發電機接線柱略有不同,但是基本原理都是一樣的。
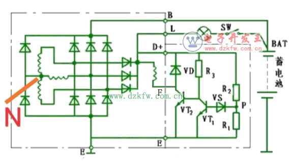
如上圖中的發電機,b+是發電機電源正極輸出,接電瓶正極。d+接充電指示燈(用鑰匙控制通斷),w接轉速表,n中性點。e接地(負極)。
發電機內部原理也很簡單,基本原理就是轉子線圈在三組定子線圈內旋轉,轉子線圈f,e兩端接通直流電源(調節器輸出勵磁電壓)以后產生磁力,當發動機驅動轉子旋轉后形成一個旋轉的磁場,定子線圈感應出電流(交流),經由二極管整流后輸出直流電。上圖就是最簡單的發電機原理圖。一般農用車等采用的比較多,接線柱也比較少,只有三個:b,f,e。其中b接電池正極,f接調節器磁場輸出,e接地。有的甚至不接地線直接搭鐵。
而大部分發電機都是像上圖一樣帶有轉速表(w),中性點(n),充電指示燈(d+)等。


返回頂部
刷新頁面
下到頁底