在常用的低壓電源中,用電容器降壓(實際是電容限流)與用變壓器相比,電容降壓的電源體積小、經濟、可靠、效率高,缺點是不如變壓器變壓的電源安全。通過電容器把交流電引入負載中,對地有220V電壓,人易觸電,但若用在不需人體接觸的電路內部電路電源中,本弱點也可克服。如冰箱電子溫控器或遙控電源的開/關等電源都是用電容器降壓而制作的。
相對于電阻降壓,對于頻率較低的50Hz交流電而言,在電容器上產生的熱能損耗很小,所以電容器降壓更優于電阻降壓。
電容降壓的工作原理并不復雜。他的工作原理是利用電容在一定的交流信號頻率下產生的容抗來限制最大工作電流。例如,在50Hz的工頻條件下,一個1uF的電容所產生的容抗約為3180歐姆。當220V的交流電壓加在電容器的兩端,則流過電容的最大電流約為70mA。雖然流過電容的電流有70mA,但在電容器上并不產生功耗,應為如果電容是一個理想電容,則流過電容的電流為虛部電流,它所作的功為無功功率。根據這個特點,我們如果在一個1uF的電容器上再串聯一個阻性元件,則阻性元件兩端所得到的電壓和它所產生的功耗完全取決于這個阻性元件的特性。例如,我們將一個110V/8W的燈泡與一個1uF的電容串聯,在接到220V/50Hz的交流電壓上,燈泡被點亮,發出正常的亮度而不會被燒毀。因為110V/8W的燈泡所需的電流為8W/110V=72mA,它與1uF電容所產生的限流特性相吻合。同理,我們也可以將5W/65V的燈泡與1uF電容串聯接到220V/50Hz的交流電上,燈泡同樣會被點亮,而不會被燒毀。因為5W/65V的燈泡的工作電流也約為70mA。因此,電容降壓實際上是利用容抗限流。而電容器實際上起到一個限制電流和動態分配電容器和負載兩端電壓的角色。
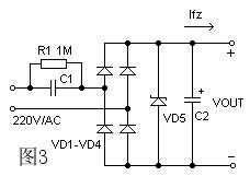
電容降壓式簡易電源的基本電路如圖1 ,C1 為降壓電容器,D2 為半波整流二極管,D1 在市電的負半周時給C1 提供放電回路,D3 是穩壓二極管,R1 為關斷電源后 C1 的電荷泄放電阻。在實際應用時常常采用的是圖2 的所示的電路。當需要向負載提供較大的電流時,可采用圖3 所示的橋式整流電路。
這一類的電路通常用于低成本取得非隔離的小電流電源。它的輸出電壓通常可在幾伏到三幾十伏,取決于所使用的齊納穩壓管。所能提供的電流大小正比于限流電容容量。采用半波整流時,每微法電容可得到電流(平均值)為:(國際標準單位)
I(AV)=0.44*V/Zc=0.44*220*2*Pi*f*C
=0.44*220*2*3.14*50*C=30000C
=30000*0.000001=0.03A=30mA
如果采用全波整流可得到雙倍的電流(平均值)為:
I(AV)=0.89*V/Zc=0.89*220*2*Pi*f*C
=0.89*220*2*3.14*50*C=60000C
=60000*0.000001=0.06A=60mA
一般地,此類電路全波整流雖電流稍大,但是因為浮地,穩定性和安全性要比半波整流型更差,所以用的更少。
使用這種電路時,需要注意以下事項:
1、未和220V交流高壓隔離,請注意安全,嚴防觸電!
2、限流電容須接于火線,耐壓要足夠大(大于400V),并加串防浪涌沖擊兼保險電阻和并放電電阻。
3、電路設計時,應先測定負載電流的準確值,然后參考示例來選擇降壓電容器的容量。因為通過降壓電容 C1 向負載提供的電流 Io ,實際上是流過 C1 的充放電電流 Ic 。 C1 容量越大,容抗 Xc 越小,則流經 C1 的充、放電電流越大。當負載電流 Io 小于 C1 的充放電電流時,多余的電流就會流過穩壓管,若穩壓管的最大允許電流 Idmax 小于 Ic-Io 時易造成穩壓管燒毀。
4、為保證 C1 可靠工作,其耐壓選擇應大于兩倍的電源電壓。
5、泄放電阻 R1 的選擇必須保證在要求的時間內泄放掉 C1 上的電荷。


返回頂部
刷新頁面
下到頁底