在開始C語言的主要內容時,我們先來看看如何用KEIL uVISION2來編譯生成用于燒寫芯片的HEX文件。HEX文件格式是Intel公司提出的按地址排列的數據信息,數據寬度為字節,所有數據使用16進制數字表示, 常用來保存單片機或其他處理器的目標程序代碼。它保存物理程序存儲區中的目標代碼映象。一般的編程器都支持這種格式。我們先來打開第一課做的第一項目,打開它的所在目錄,找到test.Uv2的文件就可以打開先前的項目了。然后右擊圖3-1中的1項目文件夾,彈出項目功能菜單,選Options for Target'Target1',彈出項目選項設置窗口,同樣先選中項目文件夾圖標,這時在Project菜單中也有一樣的菜單可選。打開項目選項窗口,轉到Output選項頁圖3-2所示,圖中1是選擇編譯輸出的路徑,2是設置編譯輸出生成的文件名,3則是決定是否要創建HEX文件,選中它就可以輸出HEX文件到指定的路徑中。選好了?好,我們再將它重新編譯一次,很快在編譯信息窗口中就顯示HEX文件創建到指定的路徑中了,如圖3-3。這樣我們就可用自己的編程器所附帶的軟件去讀取并燒到芯片了,再用實驗板看結果,至于編程器或仿真器品種繁多具體方法就看它的說明書了,這里也不做討論。
(技巧:一、在圖3-1中的1里的項目文件樹形目錄中,先選中對象,再單擊它就可對它進行重命名操作,雙擊文件圖標便可打開文件。二、在Project下拉菜單的最下方有最近編輯過的項目路徑保存,這里可以快速打開最近在編輯的項目。)
圖3-1項目功能菜單
圖3-2 項目選項窗口

圖3-3 編譯信息窗口
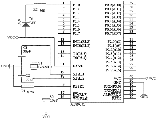
或許您已把編譯好的文件燒到了芯片上,如果您購買或自制了帶串口輸出元件的學習實驗板,那您就可以把串口和PC機串口相聯用串口調試軟件或Windows的超級終端,將其波特率設為1200,就可以看到不停輸出的"Hello World!"字樣。也許您還沒有實驗板,那這里先說說AT89C51的最小化系統,再以一實例程序驗證最小化系統是否在運行,這個最小化系統也易于自制用于實驗。圖3-4便是AT89C51的最小化系統,不過為了讓我們可以看出它是在運行的,我加了一個電阻和一個LED,用以顯示它的狀態,晶振可以根據自己的情況使用,一般實驗板上是用11.0592MHz或12MHz,使用前者的好外是可以產生標準的串口波特率,后者則一個機器周期為1微秒,便于做精確定時。在自己做實驗里,注意的是VCC是+5V的,不能高于此值,否則將損壞單片機,太低則不能正常工作。在31腳要接高電平,這樣我們才能執行片內的程序,如接低電平則使用片外的程序存儲器。下面,我們建一個新的項目名為OneLED來驗證最小化系統是否可以工作(所有的例程都可在我的主頁下面下載到,網址:http://cdle.yeah.net 或http://www.cdle.net )。程序如下:
#include <AT89X51.h> //預處理命令
void main(void) //主函數名
{
//這是第一種注釋方式
unsigned int a; //定義變量a為int類型
do{//do while組成循環
for (a=0; a<50000; a++); //這是一個循環
P1_0 =0; //設P1.0口為低電平,點亮LED
for (a=0; a<50000; a++); //這是一個循環
P1_0 = 1; //設P1.0口為高電平,熄滅LED
}
while(1);
}

圖3-4 AT89C51最小化系統
這里先講講KEIL C編譯器所支持的注釋語句。一種是以"http://"符號開始的語句,符號之后的語句都被視為注釋,直到有回車換行。另一種是在""符號之內的為注釋。注釋不會被C編譯器所編譯。一個C應用程序中應有一個main主函數,main函數可以調用別的功能函數,但其它功能函數不允許調用main函數。不論main函數放在程序中的那個位置,總是先被執行。用上面學到的知識編譯寫好的OneLED程序,并把它燒到剛做好的最小化系統中。上電,剛開始時LED是不亮的(因為上電復位后所有的IO口都置1引腳為高電平),然后延時一段時間(for (a=0; a<50000; a++)這句在運行),LED亮,再延時,LED熄滅,然后交替亮、滅。第一個真正的小應用就做完,呵呵,先不要管它是否實用哦。如果沒有這樣的效果那么您就要認真檢查一下電路或編譯燒寫的步驟了。


返回頂部
刷新頁面
下到頁底