硬件電路
圖1所示是筆者設計的一種密碼鎖電路。該密碼鎖主要 是以下10條特點:
(1)總共可以設置8位密碼,每位的取值范圍為1~8。
(2)用戶可以自行設定和修改密碼。
(3)按每個密碼鍵時都有聲音提示。
(4)若鍵入的8位開鎖密碼不完全正確,則報警5秒鐘,以提醒他人注意。
(5)開鎖密碼連續錯3次要報警1分鐘,報警期間輸入密碼無效,以防竊賊多次試探密碼。
(6)鍵入的8位開鎖密碼完全正確才能開鎖,開鎖時要有1秒的提示音。
(7)電磁鎖的電磁線圈每次通電5秒,然后恢復初態。
(8)密碼鍵盤上只允許有8個密碼按鍵。鎖內有備用電池,只有內部上電復位時才能設置或修改密碼,因此,僅在門外按鍵是不能修改或設置密碼的。
(9)密碼設定完畢后要有2秒的提示音。
(10)成本低,硬件和軟件都很簡潔可靠,易于批量生產。
根據總體要求分析,該密碼鎖電路所需要的I/O口線少于15個,若設計得當,程序不會超過200條指令,所以可選擇質優價廉的AT89C1051/2051或者GMS1051/2051,而且不需要外接程序存儲器和數據存儲器及其它擴展部件,所以成本很經濟。
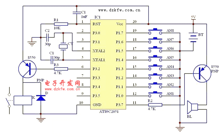
圖1 電磁鎖原理圖
在圖1所示電路中,P1口連接8個密碼按鍵AN1~AN8,開鎖 信號由P3.2輸出,報警和提示音由P3.7輸出。BL是用于報警與聲音提示的喇叭,K是繼電器控制電磁線圈。
軟件設計
圖2給出了該單片機密碼鎖電路的軟件流程圖。圖中AA1~AA8以及START、SET、SAVE是程序中的標號,是為了理解程序而專門標在流程圖的對應位置的,分析程序時可以仔細對照參考。
3.1 存儲單元的分配
該密碼鎖中RAM存儲單元的分配方案如下:
31H~38H:依次存放8位設定的密碼,首位密碼存放在31H單元;
R0:指向密碼地址;
R2:已經鍵入密碼的位數;
R3:存放允許的錯碼次數3與實際錯碼次數的差值;
R4至R7:延時用;
00H:錯碼標志位。
對于ROM存儲單元的分配,由于程序比較短,而且占用的存儲空間比較少,因此,在無特殊要求時,可以從0030H單元(其它地址也可以)開始存放主程序。
圖2 電磁鎖程序流程圖
源程序
下面是該電子密碼鎖的軟件源程序代碼:
ORG 0000H
AJMP START
ORG 0030H
START:ACALL BP
MOV R0,#31H
MOV R2,#8
SET: MOV P1,#0FFH
MOV A,P1
CJNE A,#0FFH,L8
AJMP SET
L8: ACALL DELAY
CJNE A,#0FFH,SAVE
AJMP SET
SAVE: ACALL BP
MOV @R0A
INC R0
DJNZ R2,SET
MOV R5,#16
D2S: ACALL BP
DJNZ R5,D2S
MOV R0,#31H
MOV R3,#3
AA1: MOV R2,#8
AA2: MOV P1,#0FFH
MOV A,P1
CJNE A,#0FFH, L9
AJMP AA2
L9 ACALL DELAY
CJNE A,#0FFH,AA3
AJMP AA2
AA3: ACALL BP
CLR C
SUBB A, @R0
INC R0
CJNE A,#00H,AA4
AJMP AA5
AA4: SETB 00H
AA5: DJNZ R2,AA2
JB 00HAA6
CLR P3.5
L3 MOV R5,#8
ACALL BP
DJNZ R4,L3
MOV R3,#3
SETB P3.5
AJMP AA1
AA6: DJNZ R3,AA7
MOV R5,#24
L5: MOV R4,#200
L4: ACALL BP
DJNZ R4,L4
DJNZ R5,L5
MOV R3,#3
AA7: MOV R5,#40
ACALL BP
DJNZ R5,AA7
AA8: CLR 00H
AJMP AA1
BP: CLR P3.7
MOV R7,#250
L2: MOV R6,#124
L1: DJNZ R6,L1
CPL P3.7
DJNZ R7,L2
SETB P3.7
RET
DELAYMOV R7,#20
L7: MOV R6,#125
L6: DJNZ R6,L6
DJNZ R7,L7
RET
END
應用說明
若按鍵AN1~AN7分別代表數碼1~7,按鍵AN0代表數碼8。在沒有鍵按下時,P1.0~P1.7全是高電平1,若某個鍵被按下,相應的口線就變為低電平0。假如設定的密碼是61234578,當按鍵AN6被按下時,P1.6變為低電平,P1端口其余口線為高電平,此時從P1端口讀入的數值為10111111,存到31H單元的密碼值就是10111111,也就是BFH。依此類推,存到32H至38H單元的密碼值分別是FDH、FBH、F7H、EFH、DFH、7FH、FEH。開鎖時必須先按AN6,使從P1口讀入的第一個密碼值與31H單元存儲的設定值相同,再順序按AN1、AN2、AN3、AN4、AN5、AN7、AN0才能開鎖。否則不能開鎖,同時開始報警。



返回頂部
刷新頁面
下到頁底