上課到這一課相隔了好長一段時間,這些日子里收到不少網友的來信支持和鼓勵,要求盡快完成余下的部分。出門在外的人不得不先為吃飯而努力,似乎這也成為我的借口,以后每晚抽空打一些吧這樣大家也就可以不用隔太久就能看到一些新東西。或許我的筆記并不是很正確,但我盡量的保證每課的實驗都會親自做一次,包括硬件的部分,已求不會誤人子弟。
隨著訪問量不斷的增加,網站已啟用了www.cdle.net的國際域名,在這里我感謝各位一直支持磁動力工作室的朋友,更要感激身在遠方一直默默支持我的女友。
明浩 2003-7-14 晚
呵,費話少說了。上兩課說了常量和變量,先來補充一個用以重新定義數據類型的的語句吧。這個語句就是typedef,這是個很好用的語句,但我自己卻不常用它,通常我定義變量的數據類型時都是使用標準的關鍵字,這樣別人可以很方便的研讀你的程序。如果你是個DELPHI編程愛好者或是程序員,你對變量的定義也許習慣了DELPHI的關鍵字,如int類型常會用關鍵字Integer來定義,在用C51時你還想用回這個的話,你可以這樣寫:
typedef int integer;
integer a,b;
這兩句在編譯時,其實是先把integer定義為int,在以后的語句中遇到integer就用int置換,integer就等于int,所以a,b也就被定義為int。typedef不能直接用來定義變量,它只是對已有的數據類型作一個名字上的置換,并不是產生一個新的數據類型。下面兩句就是一個錯誤的例子:
typedef int integer;
integer = 100;
使用typedef可以有方便程序的移植和簡化較長的數據類型定義。用typedef還可以定義結構類型,這一點在后面詳細解說結構類型時再一并說明。typedef的語法是
typedef 已有的數據類型 新的數據類型名
運算符就是完成某種特定運算的符號。運算符按其表達式中與運算符的關系可分為單目運算符,雙目運算符和三目運算符。單目就是指需要有一個運算對象,雙目就要求有兩個運算對象,三目則要三個運算對象。表達式則是由運算及運算對象所組成的具有特定含義的式子。C是一種表達式語言,表達式后面加";"號就構成了一個表達式語句。
賦值運算符
對于"="這個符號大家不會陌生的,在C中它的功能是給變量賦值,稱之為賦值運算符。它的作用不用多說大家也明白,就是但數據賦給變量。如,x=10;由此可見利用賦值運算符將一個變量與一個表達式連接起來的式子為賦值表達式,在表達式后面加";"便構成了賦值語句。使用"="的賦值語句格式如下:
變量 =表達式;
示例如下
a =0xFF; //將常數十六進制數FF賦于變量a
b =c = 33; //同時賦值給變量b,c
d =e; //將變量e的值賦于變量d
f =a+b; //將變量a+b的值賦于變量f
由上面的例子可以知道賦值語句的意義就是先計算出"="右邊的表達式的值,然后將得到的值賦給左邊的變量。而且右邊的表達式可以是一個賦值表達式。
在一些朋友的來信中會出現"=="與"="這兩個符號混淆的錯誤原碼,問為何編譯報錯,往往就是錯在if (a=x)之類的語句中,錯將"="用為"=="。"=="符號是用來進行相等關系運算。
算術,增減量運算符
對于a+b,a/b這樣的表達式大家都很熟悉,用在C語言中,+,/,就是算術運算符。C51中的算術運算符有如下幾個,其中只有取正值和取負值運算符是單目運算符,其它則都是雙目運算符:
+ 加或取正值運算符
- 減或取負值運算符
* 乘運算符
/ 除運算符
% 取余運算符
算術表達式的形式:
表達式1 算術運算符 表達式2
如:a+b*(10-a), (x+9)/(y-a)
除法運算符和一般的算術運算規則有所不同,如是兩浮點數相除,其結果為浮點數,如10.0/20.0所得值為0.5,而兩個整數相除時,所得值就是整數,如7/3,值為2。像別的語言一樣C的運算符與有優先級和結合性,同樣可用用括號"()"來改變優先級。這些和我們小時候學的數學幾乎是一樣的,我也不必過多的說明了。
:( 還有這么多運算符呀!暫時停一停吧,我們先來做一個實驗吧。學習運算符和另外一些知識時,我們還是給我們的實驗板加個串行接口吧。借助電腦轉件直觀的看單片機的輸出結果,以后我還會用一些簡單的實例講解單片機和PC串口通訊的簡單應用和編程。如果你用的是成品實驗板或仿真器,那你就可以跳過這一段了。
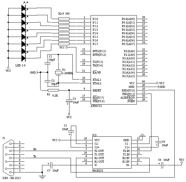
在制作電路前我們先來看看要用的MAX232,這里我們不去具體討論它,只要知道它是TTL和RS232電平相互轉換的芯片和基本的引腳接線功能就行了。通常我會用兩個小功率晶體管加少量的電路去替換MAX232,可以省一點,效果也不錯(如有興趣可以查看http://www.cdle.net網站中的相關資料)。下圖就是MAX232的基本接線圖。

圖7-1 MAX232

圖7-2 DB9接頭

圖7-3 加上了MAX232的實驗電路

圖7-4 調試結果


返回頂部
刷新頁面
下到頁底