ne555芯片是我們再也熟悉不過的時基電路,用他可以組成各種功能電路,在家用電子設備里面應用非常的廣泛,例如元器件測量儀、家用電器控制裝置、門鈴、報警器、電路檢測儀器、定時器、信號發生器、壓頻轉換電路、電源應用電路、自動控制裝置及其它應用電路等,下面我介紹一下他的相關資料。
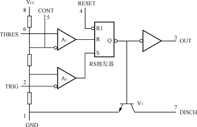
555芯片的內部含有兩個電壓比較器,一個RS觸發器,一個分壓器,一個放電晶體管三極管和一個功率后極輸出級。是CMOS工藝制造的, 具體請見下圖片.
ne555引腳功能介紹:
8電源電壓Vcc
1地 GND
2觸發
3輸出
4復位
5控制電壓
6門限(閾值)
7放電
<NE555內部電路方框圖>
此芯片的內部中心電路是2個晶體三極管加正反饋組成的RS觸發器。NE555輸入控制端有直接復位Reset端,通過比較器A1,復位控制端的TH、比較器A2置位控制的T。輸出端為F,還有集電極開路的放電管DIS。它們控制的優先權是R、T、TH。
ne555 pdf 資料下載:http://www.alldatasheet.com/view.jsp?Searchword=ne555










返回頂部
刷新頁面
下到頁底