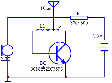
BG與L及三極管結電容組成高頻振蕩電路三極管的結電容約有2~3P,要使頻率落在FM范圍內,線圈應在直徑5mm芯一繞7圈,電容話筒受話時的振動調制著高頻信號產生頻偏,實現調頻。其發射距離與發射管工作電流大小有關,電阻不能先得太大也不能太小,在300~500歐之間,功率不足1毫瓦。
選擇BG時,管子的fT必須大于300MHz,如用2SC3357高頻管,則頻率更為穩定,距離也會更遠些。電感L分作兩個線圈來繞制,但繞向必須相同,L1用直徑0.5mm漆包線在直徑5mm骨架上繞4匝,L2繞3匝。天線可用10cm長的軟導線,使用時手摸天線會影響頻率為變化。在固定地點用時則非常穩定。愛好者按圖制作時請一定選好三極管,因為每只三極管的bc結的結電容都不一樣,按圖做好的無線話筒發射頻率會在一個大的頻率范圍內,要隨時調動線圈的間距,或在bc結并上5 -15P的小電容來調試,效果更好,更易調好。如果你的參數選得好,這個話筒一裝好就可以正常工作。
本電路可裝入小瓶蓋內,還可以裝在筆套內,電池用A13號電池或更小號的,但注意用小容量電池時加一開關。


返回頂部
刷新頁面
下到頁底