一、LM317 簡介
LM317是應用最為廣泛的電源集成電路之一,它不僅具有固定式三端穩壓電路的最簡單形式,又具備輸出電壓可調的特點。此外,還具有調壓范圍寬、穩壓性能好、噪聲低、紋波抑制比高等優點。其主要性能參數如下。
輸出電壓:1.25-37V DC;輸出電流:5mA-1.5A;芯片內部具有過熱、過流、短路保護電路;最大輸入-輸出電壓差:40V DC,最小輸入-輸出電壓差:3V DC;使用環境溫度:-10-+85℃ 。
圖1給出了幾種常用(不同封裝形式)的LM317的外形及引腳排列圖。
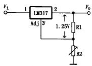
由于輸出端(2腳)與調節輸入端(3腳)之間的電壓保持在1.25V,調整接在輸出端與地之間的分壓電阻R1和R2來改變ADJ端的電位,可以達到調節輸出電壓的目的,如圖2所示,原理如下:
R1兩端的1.25V恒定電壓產生的恒定電流流過R1和R2,在R2上產生的電壓加到ADJ端。此時,輸出電壓Vo取決于R1和R2的比值,當R2阻值增大時,輸出電壓升高,即:
Vo=1.25[(R1+R2)/R2]。
二、1.25-37V可調電源
原理圖見圖3。改變R1和R2的比值可使輸出電壓在1.25-37V之間連續可變。
V1和V2的作用是:當輸出短路時,C2上的電壓被V2泄放掉,從而達到反偏保護的目的。此外,當輸入短路時,C3等元件上儲存的電壓會通過V1泄放,用于防止內部調整管反偏。C2用以提高IC的紋波抑制能力。C3用以改善IC的瞬態響應。C1用于輸入整流濾波。在大電流輸出時,IC會因溫升過高而截止,必須加適當面積的散熱器。R2應選用線性的電位器。
三、1.25-120V維修、實驗電源
原理圖見圖4。電路由四塊LM317組成,四組輸出電勢只通過R2進行調節。調節R2,IC4的輸出電勢在1.25-30V之間連續可變,同時,與之串聯的IC1-IC3的輸出電勢也隨之改變,從而得到1.25-120V間的四組直流穩定電壓。
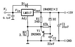
四、慢啟動15V電源
原理圖見圖5。輸出電壓Vout通過R1、V1對C2充電。
開始時V1飽和導通,Vout最低(約1.5V)。隨著C2上的電壓升高,V1逐漸退出飽和并趨于截止,Vout逐漸升高至額定電壓。改變R1、C2的常數可改變軟啟動的時間。D1用于關機后使C2上的電荷快速泄放。改變R2的值,可調整輸出電壓Vout的值,圖示參數輸出電壓為15V。圖中V1可用9012替換。
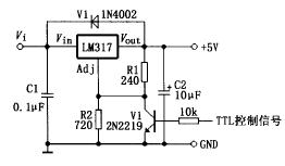
五、TTL電平控制的5V電源
原理圖見圖6。當外來的TTL控制信號使V1截止時,輸出電壓為5V。同樣,改變R2使的值可獲得不同的電壓輸出。V1可用9013等NPN管替換。


返回頂部
刷新頁面
下到頁底