(1) 系統功能
可以根據需要,設定壓力值,系統自動進行循環啟動,實現恒壓供水,系統的響應速度快,穩定性好;
系統設有手動、自動控制模式:在手動方式下,由工人根據壓力表顯示的情況,進行手動啟動,并且可以設定由工頻啟動還是變頻啟動;在自動方式下,完全根據壓力設定值進行循環啟停泵操作;
可以在線切換手動、自動控制模式:當系統在自動方式下完全啟動以后,可以不停機直接切換到手動狀態下運行;
每臺泵都設有變頻/工頻兩種狀態,在自動運行模式下,任一臺泵只有處于變頻狀態,才能由PLC控制進入循環軟啟序列;
具有顯示報警功能,系統設置有各種顯示功能,可以顯示電壓、電流、壓力、變頻器輸出頻率、電機轉速等參數,同時設置各種保護功能,如過流保護、過壓保護、過載保護、欠壓保護等。
(2) 工作原理
在自動運行模式下,通過人為設定所需的壓力,啟動系統后,控制系統通過變頻器啟動一臺處于變頻狀態的水泵電機。當電機達到滿速以后,如果檢測壓力仍達不到設定要求,控制系統會自動地將該泵由變頻切換到工頻,然后由變頻器自動啟動另外一臺處于變頻狀態的水泵電機。當檢測到的壓力值偏高且變頻器運轉在下限頻率時,則第一臺工頻運行的水泵電機將自動停機;若再需加泵時,控制系統會自動將變頻運行的水泵切換至工頻運行,然后再變頻啟動另外一臺處于變頻狀態的備用泵;以此順序運行,直到出口壓力達到設定的要求值。
在手動運行模式下,由人工根據壓力表顯示的壓力情況進行現場手動啟動單臺泵,并且可以設定是由工頻啟動還是由變頻啟動。對于變頻運行泵,可以通過手調信號給定電位器來調節水泵電機轉速的快慢。
此系統優點是自動調節供水動力范圍大,不用經常人工起停水泵,因而自動化程度高,減小了電機長期滿負荷運轉所造成的磨損www.diks.com.cn,延長了設備的使用壽命。
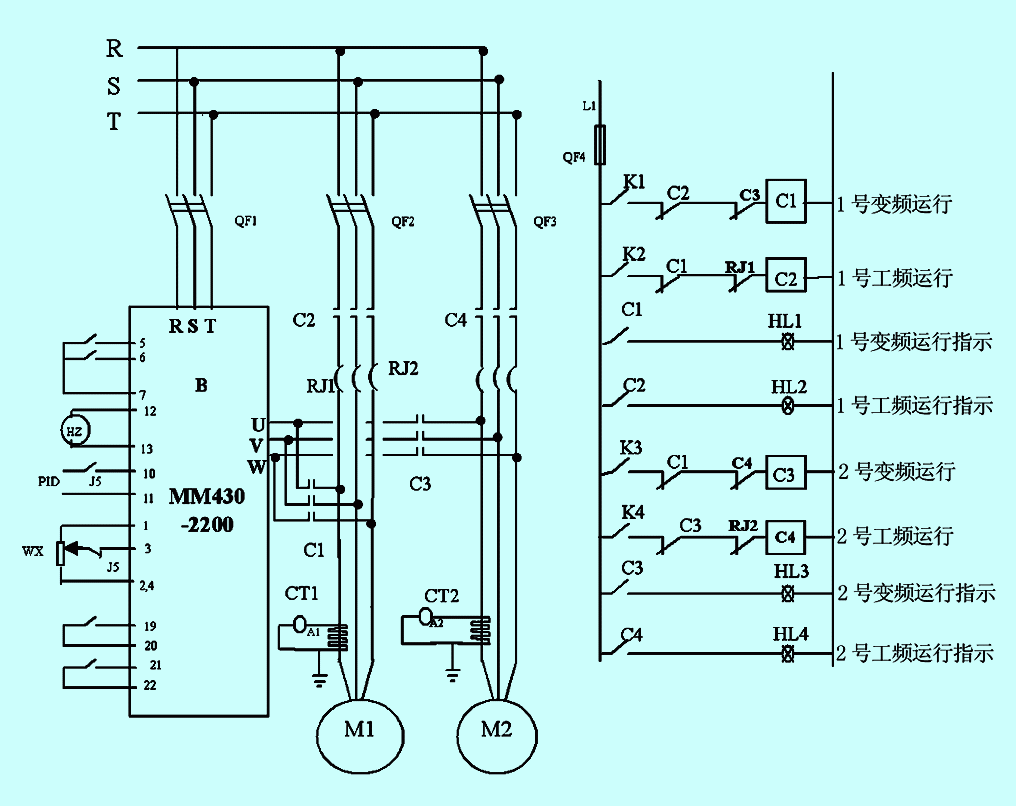
(3) 控制系統原理圖
此系統中,PLC作為系統的控制核心,起著至關重要的作用。尤其變頻自動加減泵的過程,關系到系統的安全和調節的平滑性,在編程的過程中應該注意。其原理圖如圖1所示。

圖1 PLC控制系統原理圖
變頻器及控制系統的其它電子電氣元件作為本系統的執行機構,作為變頻調速控制主體,可控制水泵的起停、加減速運轉以及泵間的相互切換等。其原理圖如圖2所示。

圖2 變頻器切換控制原理圖
3 節能原理
水泵為平方轉矩負載,即水泵的負載轉矩與轉速的平方成正比,而軸功率和負載轉矩與轉速的乘積成正比,因此,水泵的軸功率與電機轉速的立方成正比。
由此可知,當要求出水量減少時,可使電機轉速降低,而電機轉速微量減少,將使功率大幅下降,節能效果十分明顯。本變頻調速系統經過優化設計,精心的設備選型,合理的編程,配合正確的信號給定,使得電機始終處于最佳運行狀態,節能挖潛得到了最大的發揮。
4 投資回報及效益分析
4.1 直接效益
水泵恒壓供水避免了開關閥門造成的節流損失和關閉閥門運行時電機所做的無用功,按每年運行300天閥門平均開度80%計算,22kW電機年節電量可做如下計算:
W=22×[1-(0.8)3]×24×300=7.79萬kWh
電費單價按0.40元/kWh計算,全年可節約電費
M=7.79×0.40=3.116萬元
4.2 間接效益
(1) 水泵進行變頻調速改造以后,由于系統采用軟啟動連續變速運行,減少了對水泵的磨損,大大延長了設備使用壽命和維修周期,減少了維修費用和由此帶來的直接經濟損失;
(2) 系統采取過流、過壓、瞬時斷電、短路、欠壓、缺相等多種保護,避免了因電機燒損而影響生產所帶來的直接和間接經濟損失。


返回頂部
刷新頁面
下到頁底