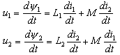
耦合互感的實際電路示意圖如上,其中兩個電流產生的磁鏈方向一致。我們可以寫出兩個線圈上的磁鏈
每個線圈上的感應電壓分為兩項,自感電壓和互感電壓:
互感電壓是另外一個線圈中變化的電流在本線圈上的感應電壓。在一定條件下,該互感電壓與另外線圈電流的變化率成比例,比例系數稱為互感系數,簡稱互感 M12=M21=M , 單位為亨利 (H)。
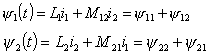
如果兩個線圈電流產生的磁鏈方向不一致,如下圖所示
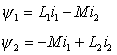
則互感電壓的極性相反
可以看出
1. 每個端口電壓包含兩項:自感電壓和互感電壓。
2. 在關聯的參考方向下,端口電流產生的自感電壓項為正,而對互感電壓的貢獻正負,取決于兩電流產生的磁通方向是否一致。
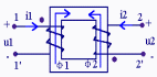
3.為便于判斷互感電壓方向,引入同名端的概念。
同名端——互感元件兩個端口的一對端子,當電流分別從這對端子流入(或流出)時所產生的磁通方向一致。在端口上用一對圓點或特殊符號標出同名端,可以避免用線圈內部結構判斷互感電壓極性,從而可能建立互感元件電路模型。


返回頂部
刷新頁面
下到頁底