無線電波的發射
1.無線電波是由開放電路發射出去的
在實際應用中常把開放電路的下端跟地連接。跟地連接的導線叫做地線。線圈上部接到比較高的導線上,這條導線叫做天線。天線和地線形成了一個敞開的電容器,電磁波就是由這樣的開放電路發射出去的。電視發射塔要建得很高,是為了使電磁波發射得較遠。實際發射無線電波的裝置中還需在開放電路旁加一個振蕩器電路與之耦合,如圖所示。
振蕩器電路產生的高頻率振蕩電流通過L2與L1的互感作用,使L1也產生同頻率的振蕩電流,振蕩電流在開放電路中激發出無線電波,向四周發射.
2、調制:調幅與調頻
發射電磁波是為了利用它傳遞某種信號。例如無線電報傳遞的是電碼符號,無線電廣播傳遞的是聲音,電視廣播傳遞的不僅有聲音,還有圖像。這就要求發射的電磁波隨信號而改變。
在電磁波發射技術中,如果把這種電信號"加"到高頻等幅振蕩電流上,那么,載有信號的高頻振蕩電流產生的電磁波就載著要傳送的信號一起發射出去.把要傳遞的信號"加"到高頻等幅振蕩電流上,使電磁波隨各種信號而改變叫做調制。
進行調制的裝置叫做調制器.耍傳遞的電信號叫做調制信號。
使高頻振蕩電流的振幅隨調制信號而改變叫做調幅,調幅廣播(AM)一般使用中波和短波波段。
使高頻振蕩電流的頻率隨調制信號而改變叫做調頻,調頻廣播(FM)和電視廣播都采用調頻的方法來調制,通常使用微波中的甚高頻(VHF)和超高頻(UHF)波段。
右圖是調幅裝置的示意圖.接在振蕩器和線圈之間的話筒就是一個最簡單的調制器,由聲源發出的聲音振動使話筒里的碳粒發生時松時緊的變化,它的電阻也發生時大時小的變化。所以,雖然振蕩器產生的是高頻等幅振蕩電流,但是線圈通過的卻是隨聲音而改變的高頻調幅電流.由于線圈的互感作用,從開放電路中發射的也是這種高頻調幅電流。這種電磁波叫調幅波。


無線電波的接收
處在電磁波傳播空間中的導體,會產生感應電流,導體中感應電流的頻率與激起它的電磁波頻率相同,因此,利用放在電磁波傳播空間中的導體,就可以接收到電磁波。
1、在無線電技術中,用天線和地線組成的接收電路來接收電磁波。
2、電諧振
世界上有許許多多的無線電臺、電視臺以及各種無線電通訊設備,它們不斷地向空中發射不同頻率的電磁波,這些電磁波強弱不等地彌漫在我們周圍。如果不加選擇地把它們都接收下來,那必然是信號一片混亂,分辨不清,達不到我們傳遞信息的目的。所以,接收電磁波時,首先要從諸多的電磁波中把我們需要的選出來,通常叫做選臺。這就要設法使我們需要的電磁波在接收天線中激起的感應電流最強。在無線電技術里,是利用電諧振來達到這個目的的。當接收電路的固有頻率跟接收到的電磁波的頻率相同時,接收電路中產生的振蕩電流最強。這種現象叫做電諧振,相當于機械振動中的共振。
3、調諧
接收電路產生電諧振的過程叫做調諧,能夠調諧的接收電路叫做調諧電路。
圖是收音機的調諧電路。調節可變電容器的電容來改變調諧電路的頻率,使它跟要接收的電臺發出的電磁波的頻率相同,這個頻率的電磁波在調諧電路里激起較強的感應電流,這樣就選出了這個電臺。
4、檢波
收音機接收的經過調制的高額振蕩電流(對應圖講解),這種電流通過收音機的耳機或揚聲器,并不能使它們振動而發聲,為什么呢,假定某一個半周期電流的作用是使振動片向某個方向運動,下一個半周期電流就以幾乎同樣大的作用使振動片向反方向運動.高頻電流的周期非常短,半周期更短,而振動片的慣性相當大,所以在振動片還沒有來得及在電流的作用下向某個方向運動的時候,就立刻有一個幾乎同樣大的作用要使它向反方向運動,結果振動片實際上不發生振動.要聽到聲音,必須從高頻振蕩電流中"檢"出聲音信號,使揚聲器(或耳機)中的動片隨聲音信號振動。
從接收到的高頻振蕩電流中"檢"出所攜帶的調制信號過程,叫做檢波。檢波是調制的逆過程,因此也叫解調。由于調制的方法不同,檢波的方法也不同。檢波之后的信號再經過放大、重現,我們就可以聽到或看到了。
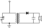
下面介紹收音機中對調幅波的檢波。
上圖是晶體二極管的檢波電路,是利用晶體二極管的單向導電性來進行檢波的。調諧電路中產生的是經過調幅的高頻振蕩電流,L1和L2繞在同一磁棒上,由于互感作用,在L2上產生的是高頻交變電壓.由于二極管的單向導電性,通過它的是單向脈動電流,這個單向脈動電流既有高頻成分,又有低頻的聲音信號,高頻成分基本從電容器C(復習旁路電容器)通過,剩下的音頻電流通過耳機發聲。(用示波器觀察檢波過程)實際上就是一個晶體二極管收音機的電路圖.這種收音機聲音很小,只能用開機收聽本地電臺.為了提高收音機的接收性能,需要用放大器把微弱的信號放大.下圖示是加有放大器的收音機方框圖.由天線和調諧電路接收到的高頻調幅電流,先通過放大器進行高頻放大,然后進行檢波和低頻放大,放大后的音頻電流輸送到喇叭,使它們發出聲音。


返回頂部
刷新頁面
下到頁底