1.溫度傳感器AD590基本知識
AD590產生的電流與絕對溫度成正比,它可接收的工作電壓為4V-30V,檢測的溫度范圍為-55℃-+150℃,它有非常好的線性輸出性能,溫度每增加1℃,其電流增加1uA。
AD590溫度與電流的關系如下表所示
|
攝氏溫度 |
AD590電流 |
經10KΩ電壓 |
|
0℃ |
273.2 uA |
2.732V |
|
10℃ |
283.2 uA |
2.832 V |
|
20℃ |
293.2 uA |
2.932 V |
|
30℃ |
303.2 uA |
3.032 V |
|
40℃ |
313.2 uA |
3.132 V |
|
50℃ |
323.2 uA |
3.232 V |
|
60℃ |
333.2 uA |
3.332 V |
|
100℃ |
373.2 uA |
3.732 V |
AD590引腳圖
2.實驗任務
利用AD590溫度傳感器完成溫度的測量,把轉換的溫度值的模擬量送入ADC0809的其中一個通道進行A/D轉換,將轉換的結果進行溫度值變換之后送入數碼管顯示。
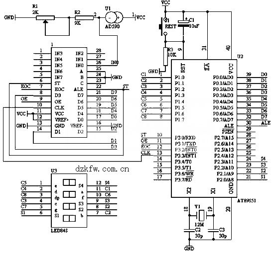
3.電路原理圖
四位數數字溫度計Digital thermometer
4.系統板上硬件連線
(1). 把“單片機系統”區域中的P1.0-P1.7與“動態數碼顯示”區域中的ABCDEFGH端口用8芯排線連接。
(2). 把“單片機系統”區域中的P2.0-P2.7與“動態數碼顯示”區域中的S1S2S3S4S5S6S7S8端口用8芯排線連接。
(3). 把“單片機系統”區域中的P3.0與“模數轉換模塊”區域中的ST端子用導線相連接。
(4). 把“單片機系統”區域中的P3.1與“模數轉換模塊”區域中的OE端子用導線相連接。
(5). 把“單片機系統”區域中的P3.2與“模數轉換模塊”區域中的EOC端子用導線相連接。
(6). 把“單片機系統”區域中的P3.3與“模數轉換模塊”區域中的CLK端子用導線相連接。
(7). 把“模數轉換模塊”區域中的A2A1A0端子用導線連接到“電源模塊”區域中的GND端子上。
(8). 把“模數轉換模塊”區域中的IN0端子用導線連接到自制的AD590電路上。
(9). 把“單片機系統”區域中的P0.0-P0.7用8芯排線連接到“模數轉換模塊”區域中的D0D1D2D3D4D5D6D7端子上。
5.程序設計內容
(1). ADC0809的CLK信號由單片機的P3.3管腳提供
(2). 由于AD590的溫度變化范圍在-55℃-+150℃之間,經過10KΩ之后采樣到的電壓變化在2.182V-4.232V之間,不超過5V電壓所表示的范圍,因此參考電壓取電源電壓VCC,(實測VCC=4.70V)。由此可計算出經過A/D轉換之后的攝氏溫度顯示的數據為:
如果(D*2350/128)<2732,則顯示的溫度值為-(2732-(D*2350/128))
如果(D*2350/128)≥2732,則顯示的溫度值為+((D*2350/128)-2732)
6.匯編源程序
(略)
7.C語言源程序
#include
#include
unsigned char code dispbitcode[]={0xfe,0xfd,0xfb,0xf7,
0xef,0xdf,0xbf,0x7f};
unsigned char code dispcode[]={0x3f,0x06,0x5b,0x4f,0x66,
0x6d,0x7d,0x07,0x7f,0x6f,0x00,0x40};
unsigned char dispbuf[8]={10,10,10,10,10,10,0,0};
unsigned char dispcount;
unsigned char getdata;
unsigned long temp;
unsigned char i;
bit sflag;
sbit ST=P3^0;
sbit OE=P3^1;
sbit EOC=P3^2;
sbit CLK=P3^3;
sbit LED1=P3^6;
sbit LED2=P3^7;
sbit SPK=P3^5;
void main(void)
{
ST=0;
OE=0;
TMOD=0x12;
TH0=0x216;
TL0=0x216;
TH1=(65536-4000)/256;
TL1=(65536-4000)%256;
TR1=1;
TR0=1;
ET0=1;
ET1=1;
EA=1;
ST=1;
ST=0;
getdata=148;
while(1)
{
;
}
}
void t0(void) interrupt 1 using 0
{
CLK=~CLK;
}
void t1(void) interrupt 3 using 0
{
TH1=(65536-4000)/256;
TL1=(65536-4000)%256;
if(EOC==1)
{
OE=1;
getdata=P0;
OE=0;
temp=(getdata*2350);
temp=temp/128;
if(temp<2732)
{
temp=2732-temp;
sflag=1;
}
else
{
temp=temp-2732;
sflag=0;
}
i=3;
dispbuf[0]=10;
dispbuf[1]=10;
dispbuf[2]=10;
if(sflag==1)
{
dispbuf[7]=11;
}
else
{
dispbuf[7]=10;
}
dispbuf[3]=0;
dispbuf[4]=0;
dispbuf[5]=0;
dispbuf[6]=0;
while(temp/10)
{
dispbuf[i]=temp%10;
temp=temp/10;
i++;
}
dispbuf[i]=temp;
ST=1;
ST=0;
}
P1=dispcode[dispbuf[dispcount]];
P2=dispbitcode[dispcount];
dispcount++;
if(dispcount==8)
{
dispcount=0;
}
}


返回頂部
刷新頁面
下到頁底