
上述波形信號如何用單片機來產生呢?
由于要產生上面的信號,我們把上面的信號分成兩部分,一部分為1KHZ方波,占用時間為0.2秒;另一部分為電平,也是占用0.2秒;因此,我們利用單片機的定時/計數器T0作為定時,可以定時0.2秒;同時,也要用單片機產生1KHZ的方波,對于1KHZ的方波信號周期為1ms,高電平占用0.5ms,低電平占用0.5ms,因此也采用定時器T0來完成0.5ms的定時;最后,可以選定定時/計數器T0的定時時間為0.5ms,而要定時0.2秒則是0.5ms的400倍,也就是說以0.5ms定時400次就達到0.2秒的定時時間了。
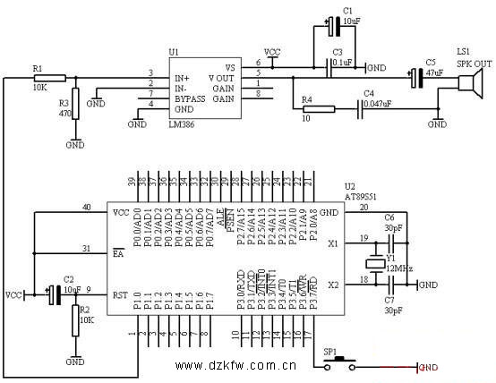
電路原理圖

匯編源程序
T02SA EQU 30H
T02SB EQU 31H
FLAG BIT 00H
ORG 00H
LJMP START
ORG 0BH
LJMP INT_T0
START: MOV T02SA,#00H
MOV T02SB,#00H
CLR FLAG
MOV TMOD,#01H
MOV TH0,#(65536-500) / 256
MOV TL0,#(65536-500) MOD 256
SETB TR0
SETB ET0
SETB EA
SJMP $
INT_T0:
MOV TH0,#(65536-500) / 256
MOV TL0,#(65536-500) MOD 256
INC T02SA
MOV A,T02SA
CJNE A,#100,NEXT
INC T02SB
MOV A,T02SB
CJNE A,#04H,NEXT
MOV T02SA,#00H
MOV T02SB,#00H
CPL FLAG
NEXT: JB FLAG,DONE
CPL P1.0
DONE: RETI
END
C語言源程序
#include <AT89X51.H>
unsigned int t02s;
unsigned char t05ms;
bit flag;
void main(void)
{
TMOD=0x01;
TH0=(65536-500)/256;
TL0=(65536-500)%256;
TR0=1;
ET0=1;
EA=1;
while(1);
}
void t0(void) interrupt 1 using 0
{
TH0=(65536-500)/256;
TL0=(65536-500)%256;
t02s++;
if(t02s==400)
{
t02s=0;
flag=~flag;
}
if(flag==0)
{
P1_0=~P1_0;
}
}


返回頂部
刷新頁面
下到頁底