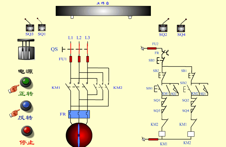
一例自動往返控制的電氣原理圖,如下:
完整動畫演示,從原理上了解自動往返控制的工作過程。
推薦你看的:
自動往返控制的plc程序梯形圖與電路圖
有關自動往返控制的plc程序梯形圖與電路圖,自動往返控制的繼電控制電路圖,plc自動往返控制原理圖,plc自動往返控制指令表程序等。
三菱plc編程實例:自動往返控制程序的例子
三菱plc編程實例:自動往返控制程序的例子,包括自動往返控制的繼電控制電路圖、plc自動往返控制原理圖、plc自動往返控制梯形圖程序、lc自動往返控制指令表程序等。
電動機自動往返控制線路的電路圖
電動機自動往返控制線路的電路圖,由位置開關控制的工作臺自動往返控制線路,SB1、SB2分別作為正轉啟動按鈕和反轉啟動按鈕,若啟動時工作臺在左端,應按下SB2進行啟動。


返回頂部
刷新頁面
下到頁底