LM3886+NE5532重低音功放,LM3886 amplifier
關鍵字:LM3886+NE5532重低音功放,重低音電路
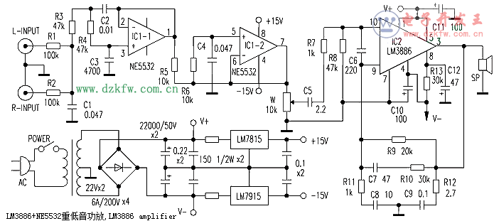
LM3886+NE5532重低音功放
LM3886是大功率單聲道音頻功率放大集成電路,11腳單列直插式封裝,內部具有完善的保護電路。在70V電源時,可在8Ω負載上輸出50W的連續平均功率,非常適合制作低音放大器。本電路即為LM3886配合NE5532前置級制作的一臺重低音功率放大器,搭配重低音音箱可獲得較好的聽音效果。電路圖如下:
LM3886性能:
·VCC=±28V OUTPUT=68W/4Ω、38W/8Ω
·VCC=±35V OUTPUT=50W/8Ω
·峰值功率:135W
·信噪比≥92db
·轉換率:19V/us
·互調失真:0.04%
·11腳TO-220封裝
·靜音功能
·SPiKeTM保護功能
LM3886有兩種型號:LM3886TF和LM3886T,前者散熱片絕緣,后者不絕緣。
NE5532是高性能雙運放,在音響電路中常用作前置放大,本電路中亦如此.


返回頂部
刷新頁面
下到頁底