|
[2] 集成穩壓器的文字符號采用集成電路的通用符號“IC”,圖形符號如圖2所示,左圖為三端式穩壓器,右圖為多端式穩壓器。在電子制作中應用較多的是三端固定輸出穩壓器。
|
[3] 集成穩壓器可分為串聯調整式、并聯調整式和開關式穩壓器三大類。圖3所示為應用最廣泛的串聯式集成穩壓器內部電路方框圖,其工作原理是:取樣電路將輸出電壓Uo按比例取出,送入比較放大器與基準電壓進行比較,差值被放大后去控制調整管,以使輸出電壓UO保持穩定。
|
[4] 7800系列集成穩壓器是常用的固定正輸出電壓的集成穩壓器,輸出電壓有5V、6V、9V、12V、15V、18V、24V等規格,最大輸出電流為1.5A。內部含有限流保護、過熱保護和過壓保護電路,采用了噪聲低、溫度漂移小的基準電壓源,工作穩定可靠。7800系列集成穩壓器為三端器件,①腳為輸入端,②腳為接地端,③腳為輸出端,如圖4所示,使用十分方便。
|
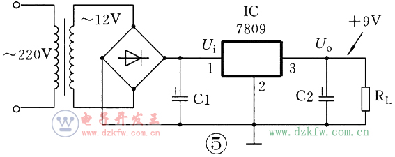
[5] 7800系列集成穩壓器的典型應用電路如圖5所示,這是一個輸出正9V直流電壓的穩壓電源電路。IC采用集成穩壓器7809,C1、C2分別為輸入端和輸出端濾波電容,RL為負載電阻。當輸出電流較大時,7809應配上散熱板。
|
[6] 圖6為提高輸出電壓的應用電路。穩壓二極管VD1串接在7800穩壓器②腳與地之間,可使輸出電壓Uo得到一定的提高,輸出電壓Uo為7800穩壓器輸出電壓與穩壓二極管VD1穩壓值之和。VD2是輸出保護二極管,一旦輸出電壓低于VD1穩壓值時,VD2導通,將輸出電流旁路,保護7800穩壓器輸出級不被損壞。
|
[7] 圖7為輸出電壓可在一定范圍內調節的應用電路。由于R1、RP電阻網絡的作用,使得輸出電壓被提高,提高的幅度取決于RP與R1的比值。調節電位器RP,即可在一定范圍內調節輸出電壓。當RP=0時,輸出電壓Uo等于7800穩壓器輸出電壓;當RP逐步增大時,Uo也隨之逐步提高。
|
[8] 圖8為擴大輸出電流的應用電路。VT2為外接擴流功率管,VT1為推動管,二者為達林頓連接。R1為偏置電阻。該電路最大輸出電流取決于VT2的參數。
|
[9] 圖9為提高輸入電壓的應用電路。7800穩壓器的最大輸入電壓為35V(7824為40V),當輸入電壓高于此值時,可采用圖9的電路。VT、R1和VD組成一個預穩壓電路,使得加在7800穩壓器輸入端的電壓恒定在VD的穩壓值上(忽略VT的b-e結壓降)。Ui端的最大輸入電壓僅取決于VT的耐壓。
|
[10] 集成穩壓器還可以用作恒流源。圖10為7800穩壓器構成的恒流源電路,基恒定電流Io等于7800穩壓器輸出電壓與R1的比值。
|
[11] 7900系列集成穩壓器是常用的固定負輸出電壓的三端集成穩壓器,除輸入電壓和輸出電壓均為負值外,其他參數和特點與7800系列集成穩壓器相同。7900系列集成穩壓器的三個引腳為:①腳為接地端,②腳為輸入端,③腳為輸出端,如圖11所示。

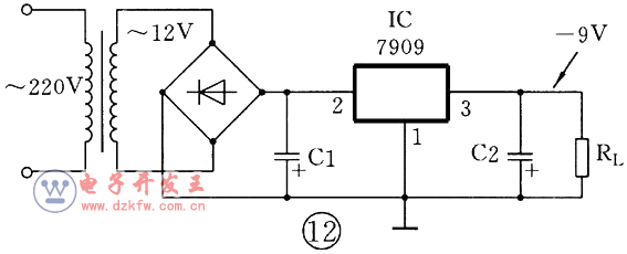
[12] 7900系列集成穩壓器的應用電路也很簡單。圖12所示為輸出-9V直流電壓的穩壓電源電路,IC采用集成穩壓器7909,輸出電流較大時應配上散熱板。
[13] 同時運用7800和7900穩壓器,可以組成正、負對稱輸出的穩壓電路。圖13所示為±15V穩壓電源電路,IC1采用固定正輸出集成穩壓器7815,IC2采用固定負輸出集成穩壓器7915。VD1、VD2為保護二極管,用以防止正或負輸入電壓有一路未接入時損壞集成穩壓器。
[14] CW117為三端可調正輸出集成穩壓器,輸出電壓可調范圍為1.2~37V,輸出電流可達1.5A。圖14所示為CW117外形及電路符號,其①腳為調整端,②腳為輸出端,③腳為輸入端。
[15] 圖15所示為CW117典型應用電路,R1與RP組成調壓電阻網絡,調節電位器RP即可改變輸出電壓。RP動臂向上移動時輸出電壓增大,向下移動時輸出電壓減小。
[16] 當將CW117的調整端直接接地時,即可獲得1.2V的固定低壓穩壓輸出。圖16所示為固定低壓應用電路。
|
[17] CW117還可以用于軟啟動電源電路,如圖17所示。剛接通輸入電源時,C2上無電壓,VT導通將RP短路,穩壓電源輸出電壓Uo=1.2V。隨著C2的充電,VT逐步退出導通狀態,Uo逐步上升,直至C2充電結束,VT截止,Uo達最大值。啟動時間的長短由R1、R2和C2決定。VD為C2提供放電通路。
|
[18] CW137為三端可調負輸出集成穩壓器,輸出電壓可調范圍為-(1.2~37)V,輸出電流可達1.5A。其①腳為調整端,②腳為輸入端,③腳為輸出端,如圖18所示。
|
[19] 圖19所示為CW137典型應用電路。調節電位器RP可改變輸出電壓的大小,RP動臂向上移動時輸出負電壓的絕對值增大,向下移動時輸出負電壓的絕對值減小。
|
[20] 圖20為采用CW117和CW137組成的正、負對稱輸出可調的穩壓電源電路,輸出電壓±(1.2~37)V,最大輸出電流1.5A。調節雙連同軸電位器RP1,即可使正、負輸出電壓的絕對值同步變化。



返回頂部
刷新頁面
下到頁底