控制要求
通過MODBUS通信的方式實現兩臺PLC的主從站通信:
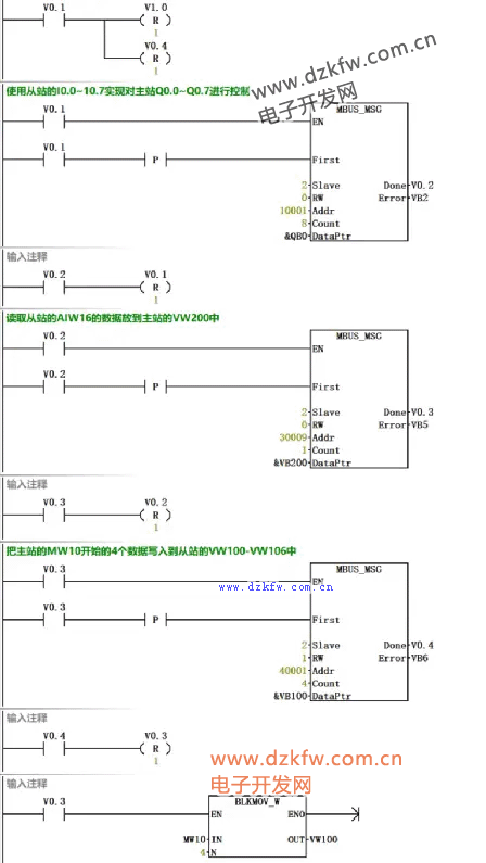
主站的PLC的I0.0~I0.7控制從站PLC的Q0.0~Q0.7
從站的I0.0~I0.7控制主站的Q0.0~Q0.7
讀取從站AIW16所采集到的數值讀到主站的VW100中
把主站的MW10~MW16的數據寫給從站的VW100~VW106中。
主站程序參考如下
從站程序
如果只有一臺PLC時,可以只編寫主站程序,使用MODBUS調試軟件,使用從站調試軟件Modsim32,前提是需要有USB轉485的接口工具,具體操作如下:
1、確認端口
插入USB轉485接口后,點擊桌面“此電腦”,右鍵選擇“管理”,點擊設備管理器中的端口。該示例端口號為COM3
2、打開從站調試軟件Modsim32
選擇連接設置→連接→選擇實際的端口,再選擇通信協議中的波特率、校驗位等;如下圖所示。
3、創建通信文件
點擊文件→新建創建通信程序
主站的PLC的I0.0~I0.7控制從站PLC的Q0.0~Q0.7
從站的I0.0~I0.7控制主站的Q0.0~Q0.7
MODBUS地址選擇02,雙擊對應的地址,選擇開。如下圖所示。
讀取從站AIW16所采集到的數值讀到主站的VW100中
把主站的MW10~MW16的數據寫給從站的VW100~VW106中。
以上是通過2臺PLC之間的通信程序編寫以及如果使用調試助手軟件進行模擬仿真驗證程序的分享
modbus測試軟件下載:www.diks.com.cn/Soft/ruanjian/86.html
西門子plc入門實例:www.diks.com.cn/Article/tixingtu/Index.html


返回頂部
刷新頁面
下到頁底