
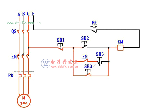
圖1
圖2,如果給圖中帶電部分標上紅色,沒合斷路器QS之前如圖2。

圖2
圖3,合上斷路器QS。

圖3
圖4,連續運行,按下SB2按鈕,KM線圈得電吸合,KM常開輔助觸點閉合,電流通過KM常開點和SB3常閉點使接觸器自鎖,電機連續運行。

圖4
圖5,點動運行,按下SB3按鈕,KM得電吸合,但由于SB3常閉點斷開,接觸器不能自鎖。

圖5
松開SB3按鈕,SB3常閉點恢復閉合以前,接觸器已經釋放,KM常開觸點斷開,電機停止。如圖6。

圖6

圖1
圖2,如果給圖中帶電部分標上紅色,沒合斷路器QS之前如圖2。

圖2
圖3,合上斷路器QS。

圖3
圖4,連續運行,按下SB2按鈕,KM線圈得電吸合,KM常開輔助觸點閉合,電流通過KM常開點和SB3常閉點使接觸器自鎖,電機連續運行。

圖4
圖5,點動運行,按下SB3按鈕,KM得電吸合,但由于SB3常閉點斷開,接觸器不能自鎖。

圖5
松開SB3按鈕,SB3常閉點恢復閉合以前,接觸器已經釋放,KM常開觸點斷開,電機停止。如圖6。

圖6