溫度范圍監測系統,LM35 Temperature controller
關鍵字:溫度監測電路圖,溫度范圍監測系統
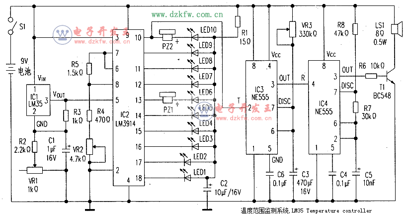
文中關鍵零件:LM35,LM3914,NE555,BC548
本文介紹的溫度容限監測系統可以隨時監測設備和系統的工作溫度是否超過允許的溫度容限.一旦超過最大容許溫度限值,就自動發出聲光報警信號。
監測系統采用10只LED.每只LED代表一個溫度步階(1℃),10只LED組成一只溫度顯示條.顯示條中的最后一只LED(LED10)用來指示溫度已達到最高允許溫度。另外,電路還采用兩只蜂鳴器:一只用來在溫度達到50%的溫度容限時發出警報;另一只用來在LED10發光時發出報警信號。
電路中的芯片LM35(IC1)用作溫度檢測器,它直接用攝氏度校準,其輸出與溫度成正比關系,監測靈敏度為1OmV/℃.適應溫度范圍為-55℃~+150℃。芯片LM3914(IC2)是一塊單芯片集成電路.用來檢測模擬電壓電平以驅動LED溫度顯示條,作為線性的模擬顯示指示。如圖所示,溫度檢測器Ic1的輸出連接至LED驅動芯片Ic2的⑤腳.而IC2內部設計有10只相同的比較器,每只比較器的輸出連接至LED1~LED10。
NE555(IC3)連接成單穩觸發器工作模式。當設備的溫度跨越最大允許容限時,LED10發光,PZ2發出警報,Ic3的②腳變低,Ic3進入觸發狀態。結果Ic3的③腳變高,使第二塊NE555(IC4)振蕩器投入工作,于是在其輸出腳③產生音頻信號.此信號經晶體管T1放大后驅動揚聲器LS1發出警報。警報信號的頻率可用R7、R8或C5進行調整。
假設你打算將它用在溫度容限為10℃.正常工作溫度為55℃的儀器中,則先將系統放置在被測儀器附近.再調整VR1和VR2.使LED1在55℃時發光。然后提高溫度檢測器Ic1的環境溫度.使溫度上升,此時相應的LED應相繼發光。當LED6發光和PZ1發出報警后.表示儀器溫升已達到溫度容限的50%。
這時再進一步提高溫度,使LED10發光.PZ2發出報警,IC3和IC4相繼投入工作,LS1發出音頻報警后,表示溫度容限已經達到,指示該儀器應當及時關閉。


返回頂部
刷新頁面
下到頁底