OTL電路為推挽式無輸出變壓器功率放大電路。通常采用單電源供電,從兩組串聯的輸出中點通過電容耦合輸出信號。省去輸出變壓器的功率放大電路通常稱為OTL(OutputTransformerLess)電路。OTL(Outputtransformerless)電路是一種沒有輸出變壓器的功率放大電路。過去大功率的功率放大器多采用變壓器耦合方式,以解決阻抗變換問題,使電路得到最佳負載值。

省去輸出變壓器的功率放大電路通常稱為OTL(OutputTransformerLess)電路。但是,這種電路有體積大、笨重、頻率特性不好等缺點,目前已較少使用,現在主流是BTL電路與OCL電路。OTL電路不再用輸出變壓器,而采用輸出電容與負載連接的互補對稱功率放大電路,使電路輕便、適于電路的集成化,只要輸出電容的容量足夠大,電路的頻率特性也能保證,是最基礎的一種功率放大電路。(右圖的電路中有錯誤,二極管D1的存在是為了抬高T4基極電壓,從而使T4處于預導通狀態,防止交越失真,這樣一個二極管在實際電路中往往是不夠的,應該在原電路中再串接一個二極管,或者將二極管換為一個較大的電阻)。
它的特點是:采用互補對稱電路(NPN、PNP參數一致,互補對稱,均為射隨組態,串聯,中間兩管子的射極作為輸出),有輸出電容,單電源供電,電路輕便可靠。“兩組串聯的輸出中點”可理解為采用互補對稱電路(NPN、PNP參數一致,互補對稱,均為射隨組態,串聯,中間兩管子的射極作為輸出)。OTL電路的優點是只需要一組電源供電。缺點是需要能把一組電源變成了兩組對稱正、負電源的大電容;低頻特性差。
otl功率放大器電路圖(一)
典型電路如下圖所示。互補對稱式OTL功率放大器的功率放大管由一只NPN型三極管VT2和一只PNP型三極管VT3構成,所以只需要一個基極信號就可以工作,而這個信號就是激勵管VT1的集電極輸出的電壓信號。

電源VCC不僅通過偏置電阻R1,R2為激勵管VT1的基極提供一定的偏置電壓,而且通過R3,R4為放大管VT3,VT2的基極提供偏置電壓。當輸入信號Ui的負半周信號經C1耦合到VT1的基極,經它倒相放大后,VT3截止,VT2導通,它的集電極電流由VCC經VT2、輸出耦合電容C2、揚聲器BL到地構成回路,不僅形成輸出信號的上半周,而且使C2建立左正、右負的直流電壓(電壓值為VCC的1/2左右);當Ui的正半周信號通過C1耦合,再經VT1倒相放大后,使VT2截止,VT3導通,它的集電極電流由C4經VT2、BL構成回路,形成輸出信號的負半周,這樣,就可以得到一個完整的信號。
otl功率放大器電路圖(二)
說到功放,那么做簡單的一種電路組成形式就是OTL,其電路屬于單端推挽式的無輸出變壓形式的功率放大器。其一般都是采用電源直接供電,首先從電路中串聯兩組晶體管中輸出,然后中點在通過相應的電容輸出信號。這種簡單的功放比起過去采用變壓器耦合方式的大功率放大器,解決了其具有的阻抗變換問題,使得電路達到了最佳的負載值。

otl功率放大器電路圖(三)

當輸入信號處于正半周期時,T3導通,T2截止,于是T3以射級輸出的形式將信號傳遞給負載,同時向C0充電,因為C0電容量大,其上的電壓基本不變,維持在1/2VCC;當輸入信號處在負半周時,T2導通,T3截止,已充電的C0充當T2的電源,同時放電T2也以射級輸出形式將信號傳輸給負載,這樣在負載上得到了完整的輸出波形。
OTL是“無輸出變壓器”的英文縮寫。世就是說OTL功率放大器不再使用輸出變壓器。因采用交流輸出方式,所以該電路有輸出耦合電容。該形式的放大電路具有效率高、功率大、失真小和安全性高、容易集成等優點,所以得到了廣泛的應用。OTL功率放大器主要有變壓器倒相式、三及管倒相式和互補對稱式三種。
otl功率放大器電路圖(四)
下圖是典形的OTL電路,其工作點的調整有2點:

1.中點電位(C點電位)為EC/2.第二,BG2和BG3提供一定的正向偏置電壓.首先調整C點電壓VC,圖3中的R3,R4,R5是BG1的集電極,其中R3和C2組成自舉電路,R5則是為了給BG2,BG3提供偏壓的.為了避免調整VC時因R5數值不合適而造成BG2,BG3的集電極電流過大,可將R5短接,R1,R2是BG1的偏流電阻,調整R1使VC=EC/2
2. 接著調整BG2,BG3的工作電流,從圖3中可看出,BG2,BG3的發射極電壓由R5兩端的電壓所確定,即VA-B=VBE1+VBE2,所以只要調整R5的大小就能達到調整BG2,BG3工作電流的目的.實際調整時因R5數值很小,可用一個100歐的電位器代替,將電流表串聯到BG2的集電極與EC之間,一邊調節電位器,一邊觀察電流表的指示,使電流指示為5--10毫安即可.需要說明,VC及BG2,BG3電流在調整時,會相互影響,VC調好后再調IC2,IC3時,VC又要變化,因此還要再調R1使VC再回到EC/2值.而調整R1時,又使IC2,IC3變化,所以需要反復調整幾次才行。
otl功率放大器電路圖(五)
差動放大電路在OTL音頻功率放大器中的應用
圖所示為OTL音頻功率放大器(無輸出變壓器的功率放大器)。電路中,VT1、VT2構成差動輸入級電壓放大器,VT3是推動管,VD4和VD5為功率放大輸出管的靜態偏置二極管,VT6~VT9構成復合互補對稱式o-rL電路,是輸出級電路。其中VT6和VT7為兩只NPN型同極性復合管,等效成一只NPN型晶體管,VT8和VT9分別是PNP型和NPN型復合管,等效成一只PNP型晶體管。

輸入信號U經過耦合電容器c1加到VT1管的基極,經放大后從其集電極輸出,直接耦合到VT3管的基極,放大后從其集電極輸出。VT3管集電極輸出的正半周信號經VT6和VT7放大,由C7耦合到SP1中,VT3管集電極輸出的負半J習信號經VT8和VT9放大,也由C7耦合到SP1中,在SP1上獲得正、負半周一個完整的信號。
VT1和V-12管構成單端輸入、單端輸出式差動電路,是一級電壓放大器。VT1管的基極偏要由Ri提供,V12管的基授偏置由R7提供,R7的右端接輸出端,其直流電壓為1/2 (-卜V).推動級VT3管的基極電壓取自VT1管的集電極,超兩極之間采用直接耦合方式。c5是VT3的高頻電壓并聯負反饋式捎振電容器,它電容量較小,對音頻信號而言里開路,對于高頻信號容抗很小,而具有大的負反饋作用,以抑制放大器可能出現的高頻自激。
otl功率放大器電路圖(六)
OTL是英文Output Transformer Less 的簡寫,意思是無輸出變壓器。OTL功率放大器就是沒有輸出耦合變壓器的功率放大器電路。 OTL功率放大器大多數采用互補推挽輸出級電路。

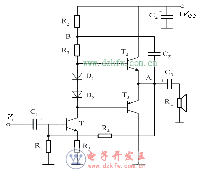
下圖所示為互補對稱式OTL功率放大電路。T2為一只NPN型功率晶體管,T3為一只PNP型晶體管,它們組成互補推挽輸出管,T1為電壓放大激勵管。信號經過C1耦合送入T1進行放大后,從T1集電極產生的信號正半周使T2導通,負半周則使T3導通,經過放大后的信號通過電容C3后輸出至揚聲器。 電路中電容C2為自舉電容,它和R2及R3組成自舉電路,使B點的電位隨輸出電壓的增高而增高,擴大了電路的動態范圍。


返回頂部
刷新頁面
下到頁底