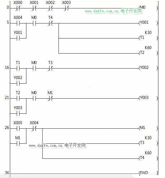
實現傳送帶順序啟動與停止的plc梯形圖,該程序使用定時器(t)來做為延時啟動與停止的控制元件,傳送帶順序啟動與停止的plc梯形圖 12-1,附有程序說明。
一個傳送帶順序啟動與停止的梯形圖
說明:該程序使用定時器(t)來做為延時啟動與停止的控制元件。
程序:
元件介紹:
x0為急停按鈕;
x1、x2、x3為三個電機的熱繼電器;
x4為啟動按鈕;
x5為停止按鈕;
y1、y2、y3為電動機接觸器;
程序說明:
1、當急停及熱繼電器處于接通狀態,m0輔助繼電器得電。
2、按下啟動按鈕x4信號接通,y1繼電器得電。同時t1、t2接通。
3、當t1的延時時間到后,y2繼電器得電。
4、當t2的延時時間到后,y3繼電器得電。
至此,三臺電動機順序啟動完成。
5、當按下停止按鈕x5信號接通,m1輔助繼電器得電控制y3繼電器斷開,同時接通t3、t4定時器。
6、當t3的延時時間到后,y2繼電器斷開。
7、當t4的延時時間到后,y1繼電器斷開。
至此,三臺電動機順序停止完成。
8、當按下急停按鈕或熱繼電器斷開,三臺電機同時斷電。


返回頂部
刷新頁面
下到頁底