摘要:小家電器用的最頻繁莫過于電吹風了,就算是一家三口,一天至少3次使用,一年1095次,所以電吹風一般用的時間不長,就容易出故障,比如熱風正常、暖風失效、電熱絲不熱等等,那么電吹風常見的故障有哪些?電吹風常見故障怎么修呢?今天小編特意整理出來分享給大家,希望對大家有幫助。
電吹風原理:電吹風機是由一組電熱絲和一個高轉速小風扇組合而成的。通電時,電熱絲會產生熱量,風扇吹出的風經過電熱絲,就變成熱風。如果只是小風扇轉動,而電熱絲不熱,那么吹出來的就只是風而不熱了。
吹風機吹出來的風屬于干風,若使用的時間過長,很容易會造成水分的流失,造成熱傷害,把損傷降到最低的秘訣就是:用毛巾先拍干頭發上的水分,用手輕輕梳順頭發,然后再用吹風機。
一、機型:FD-350電吹風
1.電路原理
該電吹風電路原理如圖1所示。具有“熱風”、“暖風”、“停止”三擋,主要由功能轉換開關S、直流電機M、溫控器ST、橋堆UR和電熱絲EH等組成。將電源插頭XP插入市電插座,S置于“熱風”擋,220V交流電源通過EH降壓(從EH的抽頭處引出)加至UR全波整流獲得約15V直流電壓供M工作,M帶動風葉快轉吹出熱風。將S置于“暖風”擋,220V交流電源經整流管VD1半波整流,M帶動風葉慢轉吹出暖風。
該電吹風設置的熱保護溫控器動作溫度為105℃,當機內溫升超過額定溫度或發生故障時,電吹風自動斷電。當溫升恢復正常或排除故障后即可正常啟動。
2.故障維修
【例1】整機不工作。
分析維修:這大多是電路不通所致。首先檢查XP是否插到位、S是否接觸良好、EH是否燒斷等,若上述正常,則是ST損壞引起故障。待電吹風冷卻至常溫后,拆下集風筒,即可見到溫控器,用萬用表測ST兩腳,正常的接觸電阻為0Ω,若為無窮大,說明ST損壞。用KSD201型/105℃陶瓷式溫控器更換,故障即可排除。
【例2】熱風擋正常,暖風失效。
分析維修:熱風擋正常,說明整機電路基本正常,暖風擋失效則其局部電路有故障。重點檢查S的暖風擋觸點、半波整流管VD1,經檢測為VD1擊穿開路,更換VD1(1N4007),故障即排除。
【例3】電機不轉。
分析維修:該現象大多為電機無工作電源或其本身損壞所致。重點檢查EH、ST、UR、M等元器件。經檢查UR擊穿開路引起所述故障,用四只lN4007整流管代換即可。
【例4】電機時轉時不轉。
分析維修:多為電機炭刷磨損所致。先用萬用表測M兩腳,正常直流電阻約10Ω,若電阻大于正常值或萬用表指針擺動不定,說明炭刷磨損或炭刷與電機換向器接觸不良。可用酒清清潔炭刷與換向器之間污物,仍不行則需更換炭刷才能排除故障。
附電路圖:
二、機型號:CYB-92C電子調溫電吹風。
1.電路原理
該電吹風電路原理如圖2所示。由電源開關S、電熱絲EH、雙向晶閘管VS、扼流圈L組成開關主電路。由電位器:RP1、可變電阻RP2、電阻R1、R2、R3、電容C2、C3和雙向觸發二極管VD1組成可調式阻容移相電路。
閉合S,接通開關主電路電源,220V交流電源通過R1、RP1向C3充電,當C3兩端電壓上升至VD1的轉折電壓時,VD1導通,觸發VS的控制極G,T1、T2導通,主電路通電。調節RP1的阻值,就可以改變C3的充電速率,即改變VS導通角,相應改變EH及M兩端電壓,從而達到無級連續調壓的目的。
直流電機M工作電源由電阻R5降壓,整流橋VD2~VD5整流后供給。
電路中,可變電阻RP2和電容C2的作用,是防止RP1調節最大值時造成調壓失控現象。電容C1、電阻R4、扼流圈L組成抑制吸收電磁波電路,防止主電路產生高次諧波對聲像電器的干擾。電容C4可減少M工作時所產生的火花對聲像電器的干擾。
2.故障維修
【例1】閉合電源開關,電機不轉,電熱絲不熱。
分析維修:多數是S觸點氧化所斂。主要原因是EH功率大,開關動作過多造成的。拆下開關,撬開外殼,用小刀刮除氧化物即可。若觸點嚴重燒蝕,需更換。
【例2】不能調壓,電熱絲不熱。
分析維修:引起該故障原因較多,重點檢查EH是否燒斷,用萬用表測EH兩端,常態直流電阻約60Ω,若為無窮大,說明EH燒壞。購800W電爐絲按原樣裝好,故障即可排除。若EH正常,逐一檢查R1、RP1、C3、R3、VD1、VS是否壞。
【例3】調壓正常.電機不轉。
分析維修:該故障多是直流電路相關元件損壞引起故障。重點檢查R5、VD2~VD5、C4、M等元器件,常見為R5燒斷。可用電吹風專用600Ω/12W瓷質電阻代換。
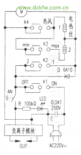
三、KF-TFL電吹風機電路簡析及維修
KF-TFL電吹風機是一種功率較大的吹風器具,工作分為1200W和2100W兩擋,機內采用交/直流串激式電機作為風動力,所以風力大、熱量足,并且該機還有負氧離子發生器,能使吹出的風產生清新感。為便了使用維護,現據實物測繪其工作電路如附圖所示,供合理使用及檢修參考。
(1)電路簡析
此型吹風機所具有的多種功能分別由圖中的K1~K4開關來控制。K1是電源總控開關,將K1置于ON擋位,接通總電源。K2是電路總功率(電機風量和加熱器電熱量)調節開關,當K2為閉合(1擋)狀態時,市電電源經K2全壓供給負載端。若只需“冷風”,則開關K4可不閉合,電熱絲不通,所以風機吹出的只是一般冷態風。當需要熱風時將K4閉合,電熱絲2通電發熱后加熱風筒內風流,即會送出弱熱風。因機內電熱絲設計為兩組,所以熱風可再由K3開關調控,而完成“大、小”熱量調節;當將K3閉合(接通max擋)時。兩組電熱絲共同發熱吹出強熱風。
實際使用中若要求風、熱量再弱一些,可再將總功率調節開關K3斷開(轉置“2”擋),將二極管D串接入回路,電源通過D半波整流,電機、電熱絲部分就只得到220×0.45=99V的脈動直流工作電壓,負載功率工作狀態對應會降低至全功率的一半以下。
此機的負氧離子功能,是由機殼上一只輕觸按鈕開關AN控制。按AN時機內一只小型負離子發生器電路模塊得電工作,再通過模塊上輸出的兩根高壓導線輸全機殼內設置的電極上進行放電,產生電離空氣隨風吹出。此時,藍色LED發光。
(2)故障維修實例
【例1】工作噪音增大。
由于此噪音屬于機械噪音,所以檢修重點放在電機上。觀察發現在電機轉動時,電刷與整流子接觸處的電火花較大,關機后看到轉子的整流子電極間隙中充斥有很多的石墨粉末(是石墨電刷磨損后沉積形成)造成局部短路,引起電機的工作電流波動并引起轉速不穩,并發出異常噪音。對此,先持針錐把整流子間隙內沉積物剔除,隨后,用注射器注酒精噴洗干凈。經清潔處理后再試機,電機恢復正常,異常噪音亦消失。
【例2】工作時風和熱量不穩,忽高忽低。
此現象只出現在K2開關位于2擋時,分析可能是K1斷開后,總回路串入的二極管D異常所引起。但拆下D后用萬川表測量卻正常,懷疑其可能熱態不穩定,遂換上新管一試,故障末再出現。
四、SZJ-18型電吹風
測繪電路圖如圖1所示。其原理為:
(1)0擋:為關斷狀態。
(2)1擋:電源經溫控器ST分成二路,一路經EH2(153Ω)、橋式整流后給風扇電機M供電,再經VD2流向電源另一端,電機慢轉;另一路經EH1(62Ω)、VD1流向電源另一端,故為低溫、低速擋。
(3)2擋:電源和1擋一樣分成二路,只是都未經過_二極管,所以電機高速旋轉;電熱絲EH1發高溫,為高溫高速擋。
(4)3擋:由于開關未將EH1接通電源,不發熱,而EH2發熱很小,只有電機高速旋轉,為冷風擋。
維修:
(1)1擋時電熱絲EH1很紅,其他正常。擋時電流經VD1(1N5408)半波整流后給EH1供電,應為低溫狀態。檢查VD1已短路,更換后恢復正常。(2)電機在各擋都不轉。首先測量電機兩端電壓為0V;整流二極管發燙,測整流橋二極管正常,說明電機或電容器短路。拆下電容器(已發黑)測量已短路,更換后,電機運轉正常。
五、SZJ-28型電吹風
測繪電路如附圖2所示。該機采用分壓、分流的辦法,在EH2上分得電壓,經VD1、VD2整流后供電機運轉;加熱電路也由經VD5整流與不經整流,分為低溫和高溫擋。
維修:電機時轉時不轉。測電機靜態電阻值在30Ω~50Ω間跳變,拆開電機發現碳刷接觸不良。經清洗掉換向器上的碳粉,并研磨碳刷工作面后裝機通電,電機運轉順暢。
六、電吹風電熱絲問題
電吹風是常用的小家電,最常見的電路如圖1所示由于電熱絲發熱功率大,發熱集中,其連接部分很容易松動。常見的連接方法是用黃銅鉚釘將電熱絲等導線鉚緊在云母板上。黃銅、鎳鉻絲、銅導線三者的熱膨脹系數不同,使用一段時間后鉚接點就會松動(圖1中A、B、c三點),導致接觸不良甚至打火。
找一根醫用10號以上的不銹鋼注射針頭,切取5~10mm長的一小段,如圖2所示連接,穿卡在原來的黃銅鉚釘扎中作支點(圖3)。因為紫銅的熱賬系數比不銹鋼大,當溫度升高后不但不會松動,反而會接觸得更緊,筆者用此法修理過多種電熱器件都很成功,長時間使用導電都十分良好
七、巧接電吹風熱絲
將已斷的電熱絲圈與圈搭接好(各兩圈左右),放在瓷磚、木塊等絕緣體上,撒上少許硼砂粉(化工商店有售),通電后斷處便自然焊接好了。操作時須注意安全,并用風扇降溫,以防石棉支架被燒焦。
家用電吹風故障怎么辦?家用電吹風故障怎么修?本文主要講解家用電吹風的快修經驗大全,希望大家會喜歡。以上,就是小編為您整理的幾條相關資料,馭龍電焰灶以電生火,無需燃氣,用科技改良廚房,用電焰烹飪美食。喜歡我的文章點贊、轉發或收藏,想要咨詢更多相關知識,請繼續關注并留言,小編為您全面解答。


返回頂部
刷新頁面
下到頁底